DCDC Regulators

具有 I2C 控制接口的车用多路输出 LCD 偏置电源

A8603

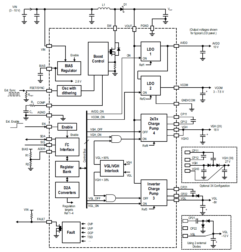
A8603 简化了汽车 LCD 偏置电压生成,提供四路独立可编程输出、开关频率灵活可调(350kHz-2.25MHz),并具有 I2C 控制接口,可以简化配置与诊断功能。它集成了升压转换器、LDO 稳压器及电荷泵,能够有效减少元件数量并增强系统可靠性。

Product Details

Top Features

  • 符合汽车 AEC-Q100 标准
  • 输入电压 3V 至 10V
  • 四个单独输出电源
  • 独立控制每个输出电压
  • 提高开关频率:350 kHz 至 2.25 MHz
  • 提供外部同步功能。
  • 频率抖动以减少 EMI
  • 关断电流小于 10 µA
  • 保护功能:过电流、过电压、
  • 短路和热过载保护
  • 通过 I2C 实现完全可编程输出
    • 稳压器电压
    • 启动/关闭顺序
    • 故障重试计数器

Part Number Specifications and Availability

设计工具