DCDC Regulators

I²C制御対応の車載用マルチ出力LCDバイアス電源

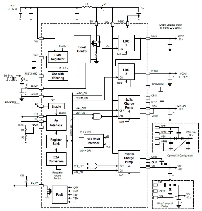
A8603

A8603は、独立してプログラム可能な4つの出力、柔軟なスイッチング周波数 (350kHz~2.25MHz)、I²C制御による容易な設定および診断機能に対応し、車載用途のLCDバイアス生成を簡素化します。昇圧コンバータ、LDOレギュレータ、チャージ ポンプを統合することで、部品点数を削減し、システムの信頼性を向上させます。

Product Details

Top Features

  • 自動車グレード AEC-Q100 認定
  • 入力電圧は 3V ~ 10V
  • 4 つの出力を独立して供給
  • 各出力電圧の個別制御
  • 昇圧スイッチング周波数:350 kHz ~ 2.25 MHz
  • 外部信号との同期機能あり
  • 周波数ディザリングで EMI を低減
  • 停止電流は 10µA 以下
  • 保護機能:過電流、過電圧、短絡
  • 回路、および過熱保護
  • I2C により出力を完全にプログラム可能
    • レギュレータ電圧
    • 起動/シャットダウン シーケンス
    • 故障時の再試行カウンタ

Part Number Specifications and Availability

設計ツール