Brushless DC Drivers

APEK89303KET-01-T Evaluation Board

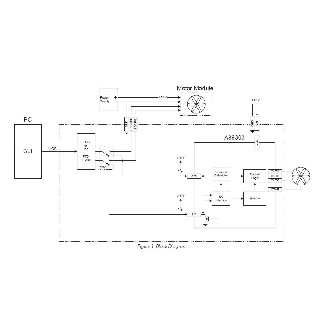
The A89303 integrated circuit (IC) is intended to drive small-form-factor automotive fuel pumps. The IC has 3 A-capable, low total driver on-resistance (low-RDS(ON)) power outputs, and a high-power package option (suffix -LP) to drive 12 V fans in the range of 1 W to 15 W.

Product Details

Top Features

A software package is available from Allegro to make it easy to program the A89303. This user guide follows the structure of the graphical user interface (GUI) and provides additional details to assist with selection of settings for each tab of the program.

Supported Products:

Content

  • A89303 Evaluation Board