有刷直流和步进电机驱动器

车用继电器驱动器,集成 5V 稳压器、看门狗定时器和复位功能

A2550

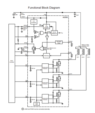
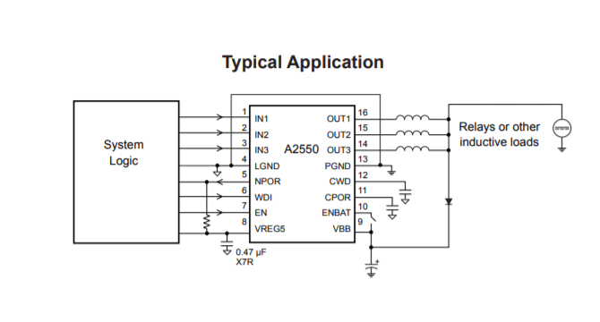
A2550 集成了 5V 稳压器、看门狗定时器、上电复位功能及三个具备负载突降保护功能的低边 DMOS 驱动器,简化了汽车的继电器控制系统。该解决方案采用单芯片设计,减少了元件数量同时提高了系统可靠性。

Product Details

Top Features

  • Three independent low-side DMOS output drivers 
  • Short-circuit protection of drivers 
  • Eliminates need for flyback diodes on relays 
  • Thermal shutdown 
  • Separate precision 5 V regulator (2%) 
  • Current clamp on 5 V regulator 
  • 16-pin TSSOP package with exposed thermal pad 
  • Programmable reset (NPOR) delay time 
  • Programmable watchdog 
  • Automotive voltage and temperature ranges 
  • Active clamps for automotive load dump specifications 
  • Lead (Pb) free 

Part Number Specifications and Availability

设计工具

Technical Documentation