ブラシ DC およびステッパ ドライバー

5Vレギュレータ、ウォッチドッグ、リセット機能内蔵の自動車用リレー ドライバ

A2550

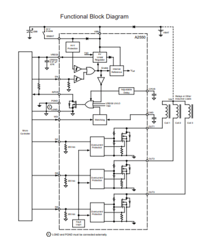
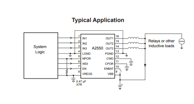
A2550は、5Vレギュレータ、ウォッチドッグ タイマ、パワーオン リセット、3つのローサイドDMOSドライバ (ロードダンプ保護付き) を内蔵することで、自動車用リレー制御システムを簡素化します。この単一チップ ソリューションにより、部品点数が削減され、システムの信頼性が向上します。

Product Details

Top Features

  • Three independent low-side DMOS output drivers 
  • Short-circuit protection of drivers 
  • Eliminates need for flyback diodes on relays 
  • Thermal shutdown 
  • Separate precision 5 V regulator (2%) 
  • Current clamp on 5 V regulator 
  • 16-pin TSSOP package with exposed thermal pad 
  • Programmable reset (NPOR) delay time 
  • Programmable watchdog 
  • Automotive voltage and temperature ranges 
  • Active clamps for automotive load dump specifications 
  • Lead (Pb) free 

Part Number Specifications and Availability

設計ツール

Technical Documentation