Allegro 电流传感器

400kHz, High-Accuracy Current Sensor IC with 5kV Isolation for Industrial Applications

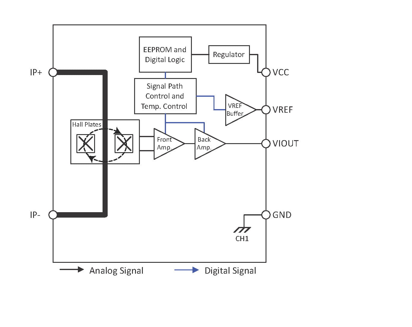
ACS37003

The ACS37003 offers precise current sensing for industrial motor control and power applications, with 400kHz bandwidth, 5kV isolation, and differential sensing for high accuracy in noisy environments. Its low internal conductor resistance minimizes power loss.

Product Details

Top Features

  • 400kHz operating bandwidth offers fast control loops and use for monitoring high-speed currents
  • High accuracy achieved with 6 mV maximum offset voltage over temperature and non-radiometric operation with VREF output, and differential sensing for high immunity to magnetic fields
  • Externally configurable gain settings using two logic pains and four adjustable gain levels for design flexibility
  • Industrial only. See the ACS37002 in the MC package for automotive qualified version with additional feature set

Part Number Specifications and Availability